当前位置: 首页 > 产品大全 > 建筑装饰材料送检流程与《全国建筑装饰材料送检表-20230224》解析

建筑装饰材料送检流程与《全国建筑装饰材料送检表-20230224》解析

建筑装饰材料送检流程与《全国建筑装饰材料送检表-20230224》解析

在建筑工程领域,装饰材料的质量直接关系到项目的整体安全、环保性能和使用寿命。为确保所用材料符合国家及行业标准,规范的送检流程是质量控制中不可或缺的一环。本文将以《全国建筑装饰材料送检表-20230224.docx》为例,解析建筑装饰材料的送检要点与相关实践。

一、 送检的必要性与法规依据

根据《中华人民共和国建筑法》、《建设工程质量管理条例》以及《建筑装饰装修工程质量验收标准》(GB 50210)等法律法规和标准规范,凡用于建筑工程的主要材料、构配件和设备,必须进行进场检验和复试。装饰材料作为直接影响室内环境安全(如甲醛、苯系物释放量)和工程耐久性(如防火、防水性能)的关键部分,其送检工作尤为重要。送检是验证材料合格证明文件真实性、确保材料性能指标满足设计要求的重要手段。

二、 核心送检材料类别

常见的需要送检的建筑装饰材料主要包括以下几大类:

  1. 基层与骨架材料:如轻钢龙骨、木龙骨、各种板材(石膏板、胶合板、细木工板等)的强度、含水率、防火性能。
  2. 饰面材料:如天然石材(辐射性检测)、瓷砖(吸水率、抗折强度)、壁纸/壁布(有害物质限量、耐擦洗性)。
  3. 涂料与胶粘剂:如内墙涂料(VOC、甲醛、耐碱性)、油漆、各类粘合剂(甲醛、苯含量),这是室内空气污染控制的重点。
  4. 功能性材料:如防火涂料(耐火极限)、防水卷材或涂料(不透水性、拉伸强度)、保温材料(燃烧性能、导热系数)。
  5. 门窗及五金:如铝合金型材(壁厚、力学性能)、安全玻璃(强度、碎片状态)。

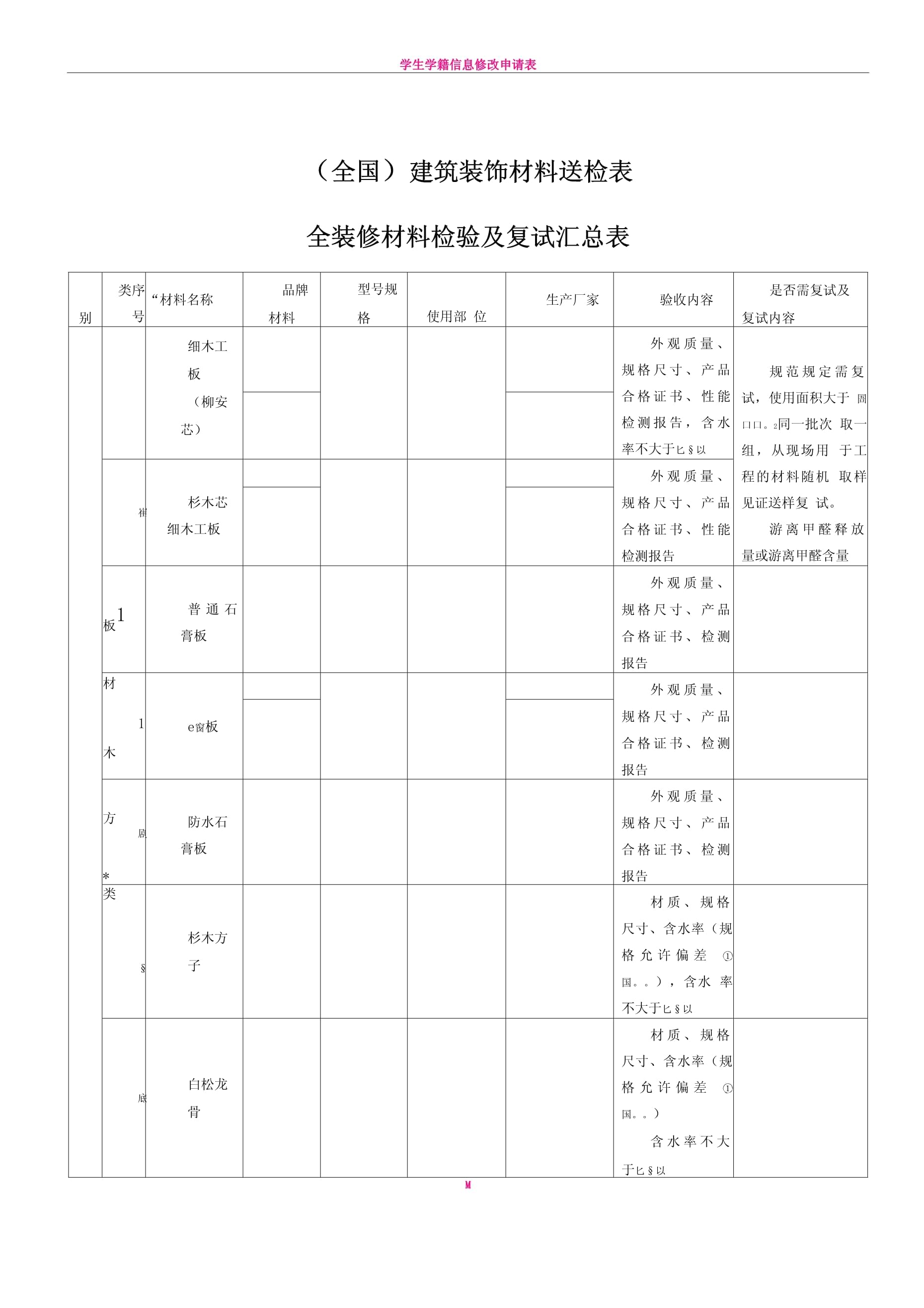
三、 《全国建筑装饰材料送检表-20230224》解析与填写要点

一份标准的送检表(通常以Word或Excel格式存在,如示例中的.docx文件)是送检工作的书面载体和指令文件。其核心内容一般包括:

  • 工程基本信息:工程名称、建设单位、监理单位、施工单位等,确保检测结果的可追溯性。
  • 材料信息:材料名称、规格型号、生产厂家、进场数量、批号/生产日期。这是识别材料身份的关键。
  • 取样信息:取样数量、取样地点、取样人、取样日期。取样必须具有代表性,并遵循相关标准的取样方法。
  • 检测要求:明确需要检测的项目和指标,如甲醛释放量、燃烧性能等级、抗压强度等。这部分应依据设计要求和材料标准规范填写。
  • 送检信息:送检单位、送检人、送检日期,以及计划委托的检测机构名称。

以“20230224”为编号的此类表格,通常由施工或监理单位在材料进场后,根据批次和检验计划进行填写和发起。它连接了施工现场、材料供应商与第三方检测机构。

四、 标准送检流程

  1. 材料进场:材料抵达施工现场,并随车附有出厂合格证、质量保证书、型式检验报告等质量证明文件。
  2. 外观与资料检查:监理和施工方共同进行外观初步验收,并核对证明文件是否齐全、有效。
  3. 取样与封样:由监理工程师(或建设单位代表)监督,施工方取样员按规范进行现场取样、封样,并粘贴唯一性标识。此过程常在送检表中记录并多方签字确认。
  4. 填写送检表:详细、准确地填写如《全国建筑装饰材料送检表-20230224》所示的表格,明确检测要求。
  5. 委托送检:将封好的样品、送检表及必要的质量证明文件复印件,一并送往具备相应资质的第三方检测机构。
  6. 检测与报告:检测机构依据国家标准进行检测,出具具有CMA(中国计量认证)标志的检测报告。
  7. 结果判定与处理:收到报告后,各方对照标准及设计要求进行判定。合格材料准予使用;不合格材料需立即清场,并按规定进行退换货或其它处理,必要时扩大检测范围。

五、 与建议

《全国建筑装饰材料送检表-20230224.docx》这类文档,是建筑工程质量管理体系中的一份关键记录。它不仅是送检行为的指令,也是未来工程验收、质量追溯的重要依据。为确保装饰工程质量,各方责任主体应:

  • 强化意识:牢固树立“先检后用”的原则,杜绝未检先用或边检边用。
  • 规范操作:严格按照标准和设计要求的频率、项目进行取样送检,确保取样真实、有效。
  • 善用工具:规范填写和使用送检管理表格,确保信息完整、准确、可追溯。
  • 依托专业:务必选择具备合法资质和能力的检测机构,确保检测数据的公正性与权威性。

通过严谨的送检流程,结合规范化的文件管理,方能从源头上筑牢建筑装饰工程的质量与安全防线,保障人民群众的生命财产安全和健康舒适的居住环境。

如若转载,请注明出处:http://www.6xm5s.com/product/81.html

更新时间:2026-05-24 20:12:58

产品列表

PRODUCT